FYS氟塑料耐腐蝕液下泵
FYS耐腐蝕液下泵為立式結構,是我公司結合國內外同類產品研制生產的一種單級單吸長軸式液下泵,氟塑料液下泵適用于輸送溫度在0℃-120℃,不含固體顆粒、有腐蝕性的介質。在使用溫度和壽命上高于同行。FYS系列氟塑料液下泵所有與介質接觸的部分全部包有氟塑料合金,下護套采用優質碳化硅制造,具有耐磨、耐腐蝕等優點,而且泵體、葉輪部分浸沒在液體里,故占用較小面積,軸封無泄漏現象。FYS化工泵的轉向應按泵所指方向起動,不能反轉運行,起動時泵體必須淹沒在液體中,液位高度必需高于葉輪中央線以上180mm。
概述
FYS型耐腐蝕液下泵選用是當今世界最優秀的耐腐蝕材料--氟塑料合金。我單位選用該材料的FYS型氟塑料液下泵系立式單級單吸離心泵,具有特強的耐腐蝕性能,且機械強度高,不老化,無毒素分解。用于輸送任意濃度的酸、堿液、氧化劑等不含固體顆粒及不易結晶的腐蝕液體。主要解決強腐蝕介質輸送問題。
應用范圍
液下深度:L=250---2500mm
流量:Q=1.5M3/H---400M3/H
揚程:H=6m---50m
轉速:n=1450r/min---2900r/min
使用溫度:-5℃---105℃
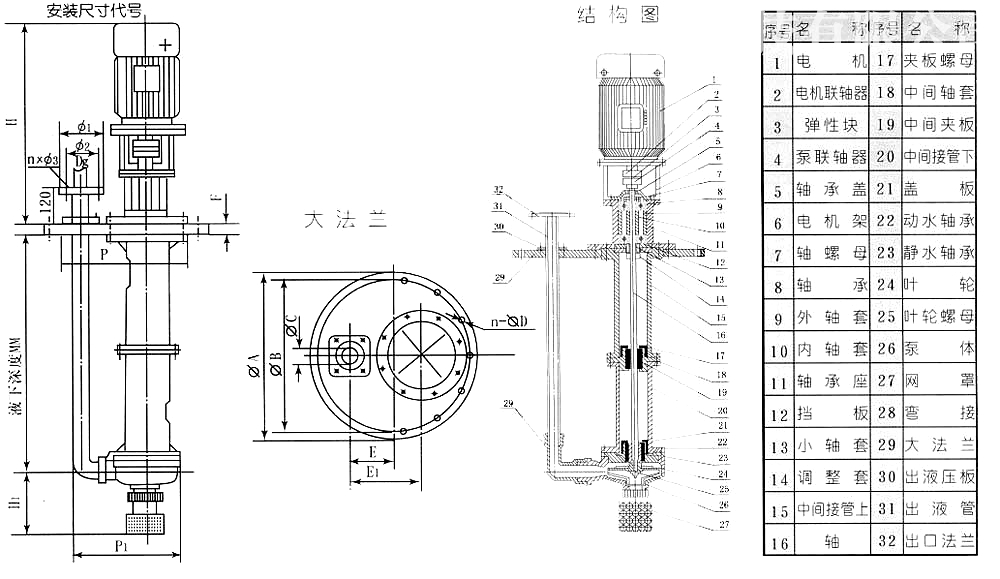
結構簡圖

型號意義
例如:50FYS-25
50代表吸入口直徑(mm)
FY代表立式液下泵代號
S代表氟塑料代號
25代表揚程(m)
性能參數表
| 型號 | 轉數(r/min) | 流量(m3/h) | 揚程(m) | 電機功率(KW) | 出口口徑(mm) |
| 25FYS-6 | 2900 | 1.2 | 7 | 0.37~0.55 | 20 |
| 1.5 | 6 | ||||
| 2.5 | 5 | ||||
| 25FYS-16 | 2900 | 1.5 | 17.5 | 0.55~0.75 | 20 |
| 2.5 | 16 | ||||
| 3.5 | 14.5 | ||||
| 32FYS-20 | 2900 | 3.5 | 22 | 1.1~1.5 | 25 |
| 5.5 | 20 | ||||
| 7.5 | 16 | ||||
| 40FYS-20 | 2900 | 5 | 22 | 1.5~2.2 | 32 |
| 7.5 | 20 | ||||
| 10 | 16 | ||||
| 1450 | 2.5 | 5.5 | 0.37~0.55 | ||
| 3.75 | 5 | ||||
| 5 | 4 | ||||
| 50FYS-25 | 2900 | 12 | 28 | 3~4 | 40 |
| 17 | 25 | ||||
| 25 | 16 | ||||
| 1450 | 6 | 7 | 0.75~1.1 | ||
| 8.5 | 5 | ||||
| 12.5 | 4 | ||||
| 50FYS-50 | 2900 | 7.5 | 52 | 5.5~7.5 | 32 |
| 12.5 | 50 | ||||
| 15 | 48 | ||||
| 1450 | 3.75 | 13 | 1.1~1.5 | ||
| 6.3 | 12.5 | ||||
| 7.5 | 12 | ||||
| 65FYS-20 | 2900 | 15 | 21.5 | 4~5.5 | 50 |
| 25 | 20 | ||||
| 30 | 18.5 | ||||
| 1450 | 7.5 | 5.3 | 1.1~1.5 | ||
| 12.5 | 5 | ||||
| 15 | 4.5 | ||||
| 65FYS-32 | 2900 | 15 | 34 | 5.5~7.5 | 50 |
| 25 | 32 | ||||
| 30 | 30 | ||||
| 1450 | 7.5 | 8.5 | 1.5~2.2 | ||
| 12.5 | 8 | ||||
| 15 | 7.5 | ||||
| 65FYS-50 | 2900 | 15 | 53 | 7.5~11 | 40 |
| 25 | 50 | ||||
| 30 | 47.5 | ||||
| 1450 | 7.5 | 13 | 2.2~3 | ||
| 12.5 | 12.5 | ||||
| 15 | 11.5 | ||||
| 80FYS-20 | 2900 | 30 | 23 | 5.5~7.5 | 65 |
| 50 | 20 | ||||
| 60 | 17 | ||||
| 1450 | 15 | 6 | 1.1~1.5 | ||
| 25 | 5 | ||||
| 30 | 4 | ||||
| 80FYS-32 | 2900 | 30 | 36 | 7.5~11 | 65 |
| 50 | 32 | ||||
| 60 | 28 | ||||
| 1450 | 15 | 9 | 1.5~2.2 | ||
| 25 | 8 | ||||
| 30 | 7 | ||||
| 80FYS-50 | 2900 | 30 | 55 | 15~18.5 | 50 |
| 50 | 50 | ||||
| 60 | 45 | ||||
| 1450 | 15 | 13.5 | 3~4 | ||
| 25 | 12.5 | ||||
| 30 | 11 | ||||
| 100FYS-20 | 2900 | 60 | 24 | 11~15 | 80 |
| 100 | 20 | ||||
| 120 | 16 | ||||
| 1450 | 30 | 6 | 2.2~3 | ||
| 50 | 5 | ||||
| 60 | 4 | ||||
| 100FYS-32 | 2900 | 60 | 36 | 15~18.5 | 80 |
| 100 | 32 | ||||
| 120 | 28 | ||||
| 1450 | 30 | 9 | 3~4 | ||
| 50 | 8 | ||||
| 60 | 7 | ||||
| 100FYS-50 | 2900 | 60 | 56 | 18.5~22 | 65 |
| 100 | 50 | ||||
| 120 | 44 | ||||
| 1450 | 30 | 14 | 5.5~7.5 | ||
| 50 | 12.5 | ||||
| 60 | 11 | ||||
| 125FYS-50 | 2900 | 120 | 61 | 37~45 | 100 |
| 200 | 50 | ||||
| 240 | 41 | ||||
| 1450 | 60 | 15 | 7.5~11 | ||
| 100 | 12.5 | ||||
| 120 | 10 | ||||
| 150FYS-20 | 1450 | 120 | 24.5 | 18.5~22 | 125 |
| 200 | 20 | ||||
| 240 | 15 | ||||
| 200FYS-20 | 1450 | 240 | 23 | 37 | 150 |
| 400 | 20 | ||||
| 460 | 18 |
適用范圍
FYS型氟塑料液下泵可輸送酸、堿、鹽、油品、飲料等介質,廣泛用于化工、石油化工、精細化工、染料化工、儀表、輕工、冶金、紡織、環保、水處理、醫藥、食品等部門。
故障原因與解決方案
| FYS型氟塑料合金液下泵故障現象 | FYS型氟塑料合金液下泵可能產生的原因 | FYS型氟塑料合金液下泵解決方法 |
| FYS型氟塑料合金液下泵流量不足 | 1.泵過流部分另件損壞 2.轉速不足 3.吸入或輸出口部分堵塞 | 1.更換另件 2.檢查電壓、電機是否正常 3.清除淤塞部分 |
| FYS型氟塑料合金液下泵揚程不足 | 1.葉輪損壞 2.轉速不足 3.輸液內含有氣體 | 1.更換葉輪 2.檢查電壓、電機是否正常 3.降低液體溫度排除氣體 |
| FYS型氟塑料合金液下泵軸承發熱 | 1.主軸與電機軸不同心 2.軸承蓋內缺油或油變質 | 1.調整同心度 2.加油或換油 |
| FYS型氟塑料合金液下泵功率過載 | 1.介質比重過大 2.流量超過使用范圍 3.產生機械擦 | 1.更換較大功率電機 2.按使用范圍工作 3.檢查調整或更換磨損部件 |
| FYS型氟塑料合金液下泵出液量小或不出液 | 1.電機轉向不對 2.葉輪中心線末浸入液內 | 1.調整相位 2.調整浸沒高度 |
| FYS型氟塑料合金液下泵振動或雜音 | 1.主軸與電機軸不同心 2.轉子不平衡 3.螺母有松動現象 4.輸液內含有氣體或脫液運轉 5.水軸承與軸頸磨損過大 | 1.調整同心度 2.更換另件 3.擰緊各部位螺母 4.降低液溫排除氣體,葉輪浸入液內 5.更換水軸承,恢復軸頸 |
FYS型工程塑料耐腐蝕液下泵注意事項
一:FYS型氟塑料液下泵拆卸與裝配
1、FYS型氟塑料液下泵如更換或檢查葉輪,可關閉出閥門,卸去法蘭連接螺栓和底板連接螺栓,FYS型氟塑料液下泵用起重工具將泵吊出容器。
2、將底板垂直在固定的支架上,卸去泵體的所有螺栓,取出泵蓋和葉輪螺母,用雙錘輕擊泵體,即可卸下葉輪。
3、FYS型氟塑料液下泵更換流動軸承則底板不動,只要卸去電機及相應支架,卸去泵聯軸器、壓蓋、圓螺母,取也軸套體。
4、FYS型氟塑料液下泵裝配與拆卸的次序相反,注意軸上配件的同心度。
二:FYS型工程塑料耐腐蝕液下泵安裝、使用、維修
1、FYS型氟塑料液下泵組裝后,盤動聯軸器,看是否轉動靈活。檢查是否有金屬摩擦聲,各部件螺母是否旋緊。
2、檢查泵軸和電機軸的同心度,上下聯軸器外圓左右差數不得超過0.1mm,聯軸器端面間隙保持1~2.5mm。
3、FYS型氟塑料液下泵的吸入口到容器底部之間距離為吸入口徑的2~3倍。泵體與器壁距離應大于口徑的2.5倍。
4、FYS型氟塑料液下泵的出液管路,應另設支架支撐,其重量不允許支撐在泵上。
5、FYS型氟塑料液下泵檢查電機的旋轉方向,使泵的旋轉方向符合指示方向。
6、關閉出口管路上的閘閥,接通冷卻水管。
7、FYS型氟塑料液下泵超動電機,慢慢開啟出口管閘閥到需要的位置,投入正常運轉。
8、經常檢查FYS型氟塑料液下泵與電機的情況,軸承溫升不應超過75℃,軸承盒內應加足夠黃油.


